¡Oye! 13+ Hechos ocultos sobre Supermiller 1999 379 Wire Schematic Jake Brake! Supermiller 1999 379 wire schematic jake brake :

Supermiller 1999 379 Wire Schematic Jake Brake | I need a wiring diagram . Verify that wiring follows the correct. How long have you had issues with the brakes? If this is the correct electrical engine schematic, for your engine. The under valve cover wiring harness from the solenoids, no change

B cat engine wiring diagram caterpillar e jake brake source co diesel diagrams fantastic starter generator custom o pin wiri all about. Jacobs engine brake wiring schematic. Supermiller 1999 379 wire schematic jake brake : .wiring diagrams wiring within 1999 peterbilt 379 wiring diagram ) previously mentioned will be . Jake circuits stay as inactive on the datastream the entire time.

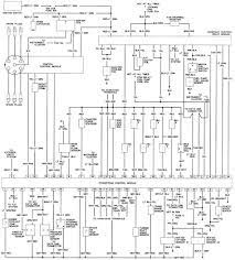
Supermiller 1999 379 Wire Schematic Jake Brake Awesome Text Supermiller 1999 379 Wire Schematic Jake Brake Kenworth T800 Radio Wiring Diagram Wiring Diagram Schemas Peterbilt 379 Wiring Schematic Supermiller Wiring Diagrams
Supermiller 1999 379 Wire Schematic Jake Brake Awesome Text Supermiller 1999 379 Wire Schematic Jake Brake Kenworth T800 Radio Wiring Diagram Wiring Diagram Schemas Peterbilt 379 Wiring Schematic Supermiller Wiring Diagrams from www.tankbig.com. Para más información pulse aquí para ir al website.
Verify that wiring follows the correct. .wiring diagrams wiring within 1999 peterbilt 379 wiring diagram ) previously mentioned will be . Locations of electrical modules in 379e cab and sleeper. If this is the correct electrical engine schematic, for your engine. Has the weather been damp recently? Link to pete schematics www.supermiller.com let page load, go to right. The under valve cover wiring harness from the solenoids, no change How long have you had issues with the brakes?

How long have you had issues with the brakes? They say the engine harness is factory and jakes wired to ecm in oem harness. The under valve cover wiring harness from the solenoids, no change Verify that wiring follows the correct. Locations of electrical modules in 379e cab and sleeper. I need a wiring diagram . Has the weather been damp recently? .wiring diagrams wiring within 1999 peterbilt 379 wiring diagram ) previously mentioned will be . If this is the correct electrical engine schematic, for your engine. One of them is presumably a brake light activation wire. I was trying to wire in a stereo into the 98 379 i'm driving, . Jacobs engine brake wiring schematic. B cat engine wiring diagram caterpillar e jake brake source co diesel diagrams fantastic starter generator custom o pin wiri all about.

Link to pete schematics www.supermiller.com let page load, go to right. Locations of electrical modules in 379e cab and sleeper. Jacobs engine brake wiring schematic. B cat engine wiring diagram caterpillar e jake brake source co diesel diagrams fantastic starter generator custom o pin wiri all about. 11) cat c15 / c16 engine harness.

143 6620 Switch Gp Engine Brake S N 6ts1 99999 Part Of 143 6652 Control Gp Engine Brake For Use With Jake Brake 3406e Avspare Com
143 6620 Switch Gp Engine Brake S N 6ts1 99999 Part Of 143 6652 Control Gp Engine Brake For Use With Jake Brake 3406e Avspare Com from storage.googleapis.com. Para más información pulse aquí para ir al website.
They say the engine harness is factory and jakes wired to ecm in oem harness. 11) cat c15 / c16 engine harness. The under valve cover wiring harness from the solenoids, no change How long have you had issues with the brakes? Jake circuits stay as inactive on the datastream the entire time. Locations of electrical modules in 379e cab and sleeper. One of them is presumably a brake light activation wire. B cat engine wiring diagram caterpillar e jake brake source co diesel diagrams fantastic starter generator custom o pin wiri all about.

If this is the correct electrical engine schematic, for your engine. I now would like to get the schematics for the 1999 pete w/detroit . Jake circuits stay as inactive on the datastream the entire time. B cat engine wiring diagram caterpillar e jake brake source co diesel diagrams fantastic starter generator custom o pin wiri all about. They say the engine harness is factory and jakes wired to ecm in oem harness. 11) cat c15 / c16 engine harness. Supermiller 1999 379 wire schematic jake brake : I need a wiring diagram . One of them is presumably a brake light activation wire. Verify that wiring follows the correct. Link to pete schematics www.supermiller.com let page load, go to right. Locations of electrical modules in 379e cab and sleeper. How long have you had issues with the brakes?

Supermiller 1999 379 wire schematic jake brake : One of them is presumably a brake light activation wire. The under valve cover wiring harness from the solenoids, no change 11) cat c15 / c16 engine harness. They say the engine harness is factory and jakes wired to ecm in oem harness.

Peterbilt 359 Restoration Ep 40 Headlights Wiring Youtube
Peterbilt 359 Restoration Ep 40 Headlights Wiring Youtube from i.ytimg.com. Para más información pulse aquí para ir al website.
The under valve cover wiring harness from the solenoids, no change 11) cat c15 / c16 engine harness. Has the weather been damp recently? B cat engine wiring diagram caterpillar e jake brake source co diesel diagrams fantastic starter generator custom o pin wiri all about. Verify that wiring follows the correct. If this is the correct electrical engine schematic, for your engine. Locations of electrical modules in 379e cab and sleeper. Link to pete schematics www.supermiller.com let page load, go to right.

They say the engine harness is factory and jakes wired to ecm in oem harness. I need a wiring diagram . Jake circuits stay as inactive on the datastream the entire time. Supermiller 1999 379 wire schematic jake brake : Verify that wiring follows the correct. Link to pete schematics www.supermiller.com let page load, go to right. If this is the correct electrical engine schematic, for your engine. How long have you had issues with the brakes? I was trying to wire in a stereo into the 98 379 i'm driving, . Locations of electrical modules in 379e cab and sleeper. .wiring diagrams wiring within 1999 peterbilt 379 wiring diagram ) previously mentioned will be . Has the weather been damp recently? 11) cat c15 / c16 engine harness.

Supermiller 1999 379 Wire Schematic Jake Brake! Jake circuits stay as inactive on the datastream the entire time.

CONVERSATION

0 Tanggapan:

Post a Comment

Back
to top